Гидравлический разделитель Zeissler с коллектором на 5 контуров
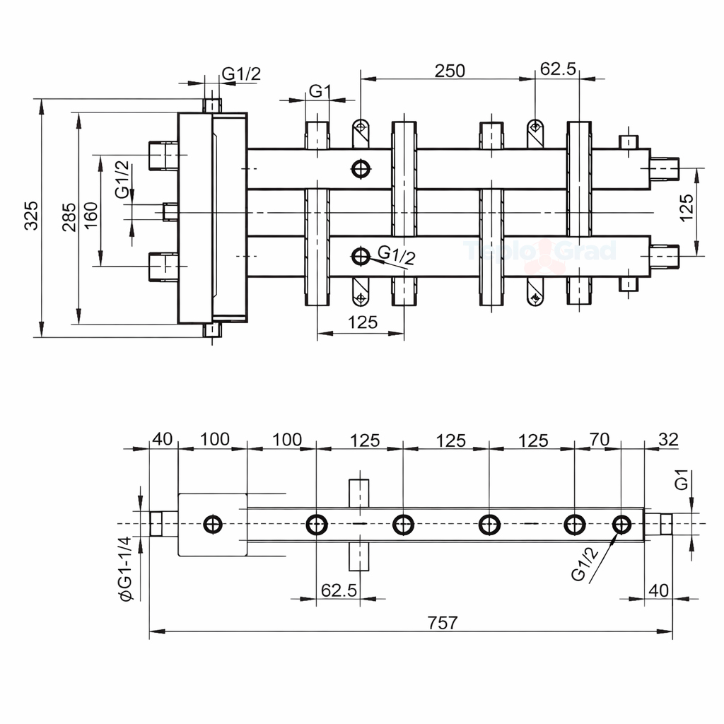
Гидравлический разделитель Zeissler с коллектором на 5 контуров с теплоизоляцией предназначен для организации систем отопления с тремя независимыми контурами. Изготовлен из нержавеющей стали AISI 304, что гарантирует долговечность, устойчивость к коррозии и стабильную работу при высоких температурах и давлении. Конструкция совмещает функции гидравлического разделителя и коллектора, обеспечивая равномерное распределение теплоносителя между контурами и эффективную работу котельного оборудования суммарной мощностью до 70 кВт. Коллектор можно устанавливать с подключением котла как слева, так и справа, что делает монтаж гибким и удобным.
Особенности:
- Изготовлен из нержавеющей стали AISI 304;
- Совмещает функции гидравлического разделителя и коллектора в одном корпусе;
- Предназначен для трех независимых контуров отопления;
- Подходит для котлов суммарной мощностью до 70 кВт;
- Возможность установки с подключением котла с любой стороны — слева или справа;
- Теплоизоляция предотвращает теплопотери и повышает эффективность системы;
- Рабочее давление до 6 бар;
- Межосевое расстояние между контурами 125 мм;
- Надежные резьбовые подключения обеспечивают герметичность и удобство монтажа.
Технические характеристики:
- Патрубки котлового контура — 1 1/4" НР;
- Патрубки контуров потребителей — 1" НР;
- Патрубки воздухоотвода — 1/2" ВР;
- Патрубки шламоудаления — 1/2" ВР;
- Патрубки термометров — 1/2" ВР;
- Патрубок магнитоуловителя — 1/2" ВР;
- Количество контуров — 5;
- Номинальная мощность — 70 кВт;
- Рабочее давление — до 6 бар;
- Межосевое расстояние — 125 мм.
|
Особенности
|
коллектор с гидравлическим разделителем |
|
Верхнее подключение
|
1 1/2 |
|
Материал
|
нержавеющая сталь |
|
Межосевое расстояние, мм
|
125 |
|
Нижнее подключение
|
1 1/2 |
|
Гарантия
|
1 год |
Дополнительная вкладка, для размещения информации о магазине, доставке или любого другого важного контента. Поможет вам ответить на интересующие покупателя вопросы и развеять его сомнения в покупке. Используйте её по своему усмотрению.
Вы можете убрать её или вернуть обратно, изменив одну галочку в настройках компонента. Очень удобно.
Оплачивайте покупки удобным способом. В интернет-магазине доступно 3 варианта оплаты:
- Оплатить заказ за наличный расчёт покупатель может по адресу: г. Санкт-Петербург, Октябрьская набережная, д.104 корпус 30 или водителю/экспедитору в момент доставки товара. Вы подписываете товаросопроводительные документы, вносите денежные средства, получаете товар и чек.
-
Оплата банковской картой при самовывозе.
- Оплатить заказ по безналичному расчету покупатель может на основании выставленного нашими менеджерами счета, который высылается по электронной почте. .
Экономьте время на получении заказа. В интернет-магазине доступно 4 варианта доставки:
- Стоимость доставки по Санкт-Петербургу от 700р. Стоимость доставки в Ленинградскую область уточняйте у менеджеров.Обращаем ваше внимание, что доставка груза осуществляется до подъезда.
- Самовывоз. Наш адрес: г. Санкт-Петербург, Октябрьская набережная, д.104 корпус 30
- Мы осуществляем доставку в регионы России через транспортные компании СДЕК и Деловые линии.

